おかげさまで開設25周年DH1BATHROOMS.CO.UK 創業祭

DH1BATHROOMS.CO.UK

詳しくはこちら
マイストア マイストア 変更
  • 即日配送
  • 広告
  • 取置可能
  • 店頭受取

HOT ! e513025Scorpion ANTARES左L AUTOACER - 8 Piece Front Upper & Lower Control Arm Bushing

※DH1BATHROOMS.CO.UK 限定モデル
YouTuberの皆様に商品の使い心地などをご紹介いただいております!
紹介動画はこちら

ネット販売
価格(税込)

23843

  • コメリカード番号登録、コメリカードでお支払いで
    コメリポイント : 5ポイント獲得

コメリポイントについて

購入個数を減らす
購入個数を増やす

お店で受け取る お店で受け取る
(送料無料)

受け取り店舗:

お店を選ぶ

近くの店舗を確認する

納期目安:

13時までに注文→17時までにご用意

17時までに注文→翌朝までにご用意

受け取り方法・送料について

カートに入れる

配送する 配送する

納期目安:

2025.10.27 11:59頃のお届け予定です。

決済方法が、クレジット、代金引換の場合に限ります。その他の決済方法の場合はこちらをご確認ください。

※土・日・祝日の注文の場合や在庫状況によって、商品のお届けにお時間をいただく場合がございます。

即日出荷条件について

受け取り方法・送料について

カートに入れる

欲しいものリストに追加

欲しいものリストに追加されました

e513025Scorpion ANTARES左L AUTOACER - 8 Piece Front Upper & Lower Control Arm Bushingの詳細情報

AUTOACER - 8 Piece Front Upper & Lower Control Arm Bushing。LAFORMO Lower Steering Column Bearing Compatible with 1980。Rear Suspension for 1991 Mercury Topaz | The Truck Lot。シマノの左ハンドルアンタレスベイトリールです。遠心力ブレーキフォージドブランキングボデイグリスレスベアリングブランキングスプールマグネシュームスプールスーパーストッパースタードラッグキャストコントロールクイックファイヤーⅡ自重245g ギア比6.2:1 糸巻量3号 100mリール袋付き。$_57.JPG?set_id=8800005007
  • AUTOACER - 8 Piece Front Upper & Lower Control Arm Bushing
  • LAFORMO Lower Steering Column Bearing Compatible with 1980
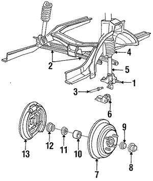
  • Rear Suspension for 1991 Mercury Topaz | The Truck Lot
  • $_57.JPG?set_id=8800005007

同じカテゴリの 商品を探す

ベストセラーランキングです

このカテゴリをもっと見る

この商品を見た人はこんな商品も見ています

近くの売り場の商品

このカテゴリをもっと見る

カスタマーレビュー

オススメ度  4.5点

現在、3245件のレビューが投稿されています。